| توافر الحالة: | |
|---|---|
| الكمية: | |
P323
I.CH
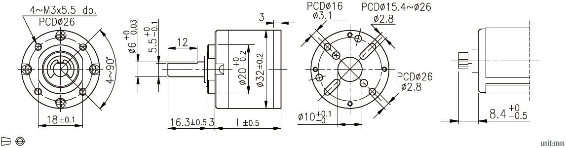
علبة التروس الكوكبية مقاس 32 مم - حل علبة تروس كوكبية صناعية مدمجة وعالية الدقة. يوفر كثافة عزم دوران استثنائية، وتشغيل سلس، ومتانة للأتمتة الصناعية، والروبوتات، والآلات الدقيقة. أداء موثوق يلبي التصميم الموفر للمساحة.
| علبة التروس وصف علبة التروس الكوكبية 32 مم | |||||||
| المواد السكنية | تحمل في الإخراج | الحمل الشعاعي (10 مم من الحافة) | رمح الحمل المحوري | رمح الصحافة FIT FORCE ، ماكس. | اللعب الشعاعي للعمود | لعب لعب العمود | رد فعل عنيف عند عدم الحمل |
| معدن | محامل الأكمام | ≤3kgf | ≤2.5kgf | ≤10kgf | ≤0.08mm | ≤0.3mm | ≤3 ° |
| معدن | محامل الكرة | ≤3.5kgf | ≤2.5kgf | ≤10kgf | ≤0.05mm | ≤0.3mm | ≤3 ° |
علبة التروس الكوكبية مقاس 32 مم - حل علبة تروس كوكبية صناعية مدمجة وعالية الدقة. يوفر كثافة عزم دوران استثنائية، وتشغيل سلس، ومتانة للأتمتة الصناعية، والروبوتات، والآلات الدقيقة. أداء موثوق يلبي التصميم الموفر للمساحة.
| علبة التروس وصف علبة التروس الكوكبية 32 مم | |||||||
| المواد السكنية | تحمل في الإخراج | الحمل الشعاعي (10 مم من الحافة) | رمح الحمل المحوري | رمح الصحافة FIT FORCE ، ماكس. | اللعب الشعاعي للعمود | لعب لعب العمود | رد فعل عنيف عند عدم الحمل |
| معدن | محامل الأكمام | ≤3kgf | ≤2.5kgf | ≤10kgf | ≤0.08mm | ≤0.3mm | ≤3 ° |
| معدن | محامل الكرة | ≤3.5kgf | ≤2.5kgf | ≤10kgf | ≤0.05mm | ≤0.3mm | ≤3 ° |
| مواصفات علبة التروس | |||||||||||||||
| نسبة الحد | 1/4 | 1/5 | 1/14 | 1/19 | 1/27 | 1/35 | 1/51 | 1/71 | 1/100 | 1/139 | 1/189 | 1/264 | 1/516 | 1/721 | 1/939 |
| عزم دوران التسامح المقنن (KG.CM ) | 2 | 2 | 4 | 4 | 6 | 6 | 8 | 8 | 10 | 10 | 12 | 12 | 12 | 12 | 12 |
| أقصى لحظة عزم الدوران ( KG.CM ) | 6 | 6 | 12 | 12 | 18 | 18 | 24 | 24 | 30 | 30 | 36 | 36 | 36 | 36 | 36 |
| كفاءة | 80 ٪ | 80 ٪ | 70 ٪ | 70 ٪ | 70 ٪ | 70 ٪ | 60 ٪ | 60 ٪ | 60 ٪ | 60 ٪ | 50 ٪ | 50 ٪ | 50 ٪ | 50 ٪ | 50 ٪ |
| الطول (L-MM) | 20.6 | 20.6 | 27 | 27 | 27 | 27 | 33.4 | 33.4 | 33.4 | 33.4 | 39.8 | 39.8 | 39.8 | 39.8 | 39.8 |
| الوزن (g) | 102 | 102 | 122 | 122 | 122 | 122 | 147 | 147 | 147 | 147 | 173 | 173 | 173 | 173 | 173 |
| مواصفات علبة التروس | |||||||||||||||
| نسبة الحد | 1/4 | 1/5 | 1/14 | 1/19 | 1/27 | 1/35 | 1/51 | 1/71 | 1/100 | 1/139 | 1/189 | 1/264 | 1/516 | 1/721 | 1/939 |
| عزم دوران التسامح المقنن (KG.CM ) | 2 | 2 | 4 | 4 | 6 | 6 | 8 | 8 | 10 | 10 | 12 | 12 | 12 | 12 | 12 |
| أقصى لحظة عزم الدوران ( KG.CM ) | 6 | 6 | 12 | 12 | 18 | 18 | 24 | 24 | 30 | 30 | 36 | 36 | 36 | 36 | 36 |
| كفاءة | 80 ٪ | 80 ٪ | 70 ٪ | 70 ٪ | 70 ٪ | 70 ٪ | 60 ٪ | 60 ٪ | 60 ٪ | 60 ٪ | 50 ٪ | 50 ٪ | 50 ٪ | 50 ٪ | 50 ٪ |
| الطول (L-MM) | 20.6 | 20.6 | 27 | 27 | 27 | 27 | 33.4 | 33.4 | 33.4 | 33.4 | 39.8 | 39.8 | 39.8 | 39.8 | 39.8 |
| الوزن (g) | 102 | 102 | 122 | 122 | 122 | 122 | 147 | 147 | 147 | 147 | 173 | 173 | 173 | 173 | 173 |
| الأبعاد الميكانيكية |
![]() |
| الأبعاد الميكانيكية |
![]() |
ورقة البيانات الكاملة
ورقة البيانات الكاملة