| توافر الحالة: | |
|---|---|
| الكمية: | |
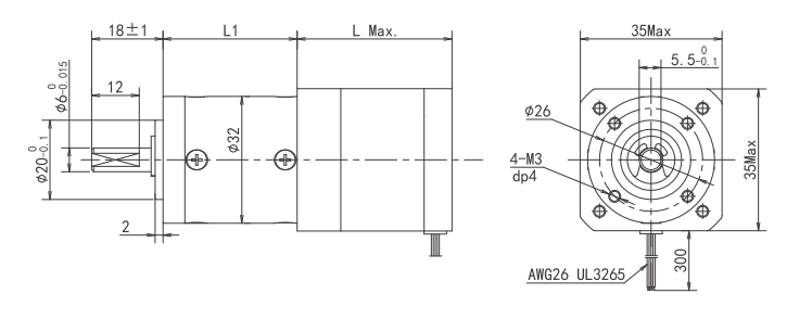
HP351
I.CH
NEMA 14 Stepper Gear Motor
وصف
يتميز محرك السائر مع علبة التروس الكوكبية بخصائص الصلابة العالية، والحمل العالي، والكفاءة العالية، ونسبة السرعة العالية، والدقة العالية ، والعمر العالي، والقصور الذاتي المنخفض، والاهتزاز المنخفض، والضوضاء المنخفضة، والمظهر الجميل، والهيكل الخفيف، والتركيب السهل، وتحديد المواقع بدقة، وما إلى ذلك. نحن نقدم خدمة مخصصة لمتطلباتك المحددة. محرك تروس متدرج كوكبي مقاس 35 مم، وهو حل عالي الأداء للتحكم في الحركة والروبوتات وآلات الخياطة ومحركات إضاءة المسرح. يتميز هذا المحرك بالدقة والموثوقية والمتانة الاستثنائية، مما يجعله خيارًا مثاليًا لمجموعة واسعة من التطبيقات.
المواصفات الكهربائية الحركية
نموذج سلسلة | زاوية الخطوة (س) | ل (مم) | تيار مصنّف (أ) | مقاومة الطور (ω) | مرحلة الحث ( M H ) | عقد عزم الدوران (N.CM) | سلك الرصاص (لا.) | وزن المحرك (ز) |
HP351-01408 | 1.8 | 31 | 0.8 | 4.2 | 4.5 | 14 | 4 | 120 |
HP351-02008 | 1.8 | 39 | 0.8 | 7.5 | 9.8 | 20 | 4 | 160 |
HP351-02020 | 1.8 | 58 | 2 | 1.6 | 2.3 | 40 | 4 | 230 |
مواصفات علبة التروس
نسبة | 3.71 | 5.18 | 6.75 | 14 | 19 | 27 | 35 | 46 | 51 | 71 | 100 | 139 | 181 | 236 | 307 |
سلسلة مخفض | 1 | 2 | 3 | ||||||||||||
الطول (مم) | 34 | 34 | 42 | ||||||||||||
عزم الدوران المقنن (نانومتر) | 0.3 | 1.2 | 2.5 | ||||||||||||
عزم الدوران المسموح به (كحد أقصى) (نانومتر) | 1 | 3.5 | 7.5 | ||||||||||||
كفاءة(٪) | 90 ٪ | 81 ٪ | 73 ٪ | ||||||||||||
الوزن (ز) | 113 | 145 | 184 | ||||||||||||
يمكننا تصنيع المنتجات وفقًا لمتطلبات العميل | |||||||||||||||
وصف
يتميز محرك السائر مع علبة التروس الكوكبية بخصائص الصلابة العالية، والحمل العالي، والكفاءة العالية، ونسبة السرعة العالية، والدقة العالية ، والعمر العالي، والقصور الذاتي المنخفض، والاهتزاز المنخفض، والضوضاء المنخفضة، والمظهر الجميل، والهيكل الخفيف، والتركيب السهل، وتحديد المواقع بدقة، وما إلى ذلك. نحن نقدم خدمة مخصصة لمتطلباتك المحددة. محرك تروس متدرج كوكبي مقاس 35 مم، وهو حل عالي الأداء للتحكم في الحركة والروبوتات وآلات الخياطة ومحركات إضاءة المسرح. يتميز هذا المحرك بالدقة والموثوقية والمتانة الاستثنائية، مما يجعله خيارًا مثاليًا لمجموعة واسعة من التطبيقات.
المواصفات الكهربائية الحركية
نموذج سلسلة | زاوية الخطوة (س) | ل (مم) | تيار مصنّف (أ) | مقاومة الطور (ω) | مرحلة الحث ( M H ) | عقد عزم الدوران (N.CM) | سلك الرصاص (لا.) | وزن المحرك (ز) |
HP351-01408 | 1.8 | 31 | 0.8 | 4.2 | 4.5 | 14 | 4 | 120 |
HP351-02008 | 1.8 | 39 | 0.8 | 7.5 | 9.8 | 20 | 4 | 160 |
HP351-02020 | 1.8 | 58 | 2 | 1.6 | 2.3 | 40 | 4 | 230 |
مواصفات علبة التروس
نسبة | 3.71 | 5.18 | 6.75 | 14 | 19 | 27 | 35 | 46 | 51 | 71 | 100 | 139 | 181 | 236 | 307 |
سلسلة مخفض | 1 | 2 | 3 | ||||||||||||
الطول (مم) | 34 | 34 | 42 | ||||||||||||
عزم الدوران المقنن (نانومتر) | 0.3 | 1.2 | 2.5 | ||||||||||||
عزم الدوران المسموح به (كحد أقصى) (نانومتر) | 1 | 3.5 | 7.5 | ||||||||||||
كفاءة(٪) | 90 ٪ | 81 ٪ | 73 ٪ | ||||||||||||
الوزن (ز) | 113 | 145 | 184 | ||||||||||||
يمكننا تصنيع المنتجات وفقًا لمتطلبات العميل | |||||||||||||||