| الكمية: | |
|---|---|
HL573 (57 مم)- 1.8 درجة لكل خطوة ، مرحلة 2
I.CH
Nema 23 Stepping Motor
| المواصفات الكهربائية الحركية | |||||||||
| نموذج سلسلة | زاوية الخطوة (س) | L (مم) | تيار مصنف (أ) | مرحلة مقاومة (Ω) | مرحلة الحث (MH) | عقد العزم (N.CM) | عزم الدوران (N.CM) | قيادة الأسلاك (رقم.) | محرك وزن (ز) |
| HL573-05520 | 1.8 | 41 | 2.0 | 1.2 | 2.5 | 55 | 2.5 | 4 | 470 |
| HL573-08025 | 1.8 | 45 | 2.5 | 1.0 | 2.2 | 80 | 2.8 | 4 | 520 |
| HL573-11025A | 1.8 | 51 | 2.5 | 1.2 | 3.2 | 110 | 2.8 | 4 | 520 |
| HL573-11025B | 1.8 | 56 | 2.5 | 1.3 | 4.2 | 110 | 3.5 | 4 | 680 |
| HL573-11042 | 1.8 | 56 | 4.2 | 0.4 | 1.2 | 110 | 3.5 | 4 | 680 |
| HL573-15025 | 1.8 | 64 | 2.5 | 1.5 | 4.5 | 150 | 5.0 | 4 | 850 |
| HL573-15042 | 1.8 | 64 | 4.2 | 0.55 | 1.2 | 150 | 5.0 | 4 | 850 |
| HL573-18025 | 1.8 | 76 | 2.5 | 1.8 | 6.5 | 180 | 6.0 | 4 | 1050 |
| HL573-18042 | 1.8 | 76 | 4.2 | 0.6 | 1.8 | 180 | 6.0 | 4 | 1050 |
| HL573-25030 | 1.8 | 100 | 3.0 | 1.4 | 5.5 | 250 | 10 | 4 | 1250 |
| HL573-25042 | 1.8 | 100 | 4.2 | 0.8 | 3.0 | 250 | 10 | 4 | 1250 |
| HL573-28030 | 1.8 | 112 | 3.0 | 1.6 | 6.8 | 280 | 12 | 4 | 1400 |
| HL573-28042 | 1.8 | 112 | 4.2 | 0.9 | 3.8 | 280 | 12 | 4 | 1400 |
| مواصفات المسمار | ||
| المسمار ديا. (مم) | السفر لكل خطوة (مم) | الرصاص (مم) |
| TR9.53 | 0.0127 | 2.54 |
| 0.0254 | 5.08 | |
| 0.0508 | 10.16 | |
| TR8.00 | 0.0400 | 8 |
| المواصفات الكهربائية الحركية | |||||||||
| نموذج سلسلة | زاوية الخطوة (س) | L (مم) | تيار مصنف (أ) | مرحلة مقاومة (Ω) | مرحلة الحث (MH) | عقد العزم (N.CM) | عزم الدوران (N.CM) | قيادة الأسلاك (رقم.) | محرك وزن (ز) |
| HL573-05520 | 1.8 | 41 | 2.0 | 1.2 | 2.5 | 55 | 2.5 | 4 | 470 |
| HL573-08025 | 1.8 | 45 | 2.5 | 1.0 | 2.2 | 80 | 2.8 | 4 | 520 |
| HL573-11025A | 1.8 | 51 | 2.5 | 1.2 | 3.2 | 110 | 2.8 | 4 | 520 |
| HL573-11025B | 1.8 | 56 | 2.5 | 1.3 | 4.2 | 110 | 3.5 | 4 | 680 |
| HL573-11042 | 1.8 | 56 | 4.2 | 0.4 | 1.2 | 110 | 3.5 | 4 | 680 |
| HL573-15025 | 1.8 | 64 | 2.5 | 1.5 | 4.5 | 150 | 5.0 | 4 | 850 |
| HL573-15042 | 1.8 | 64 | 4.2 | 0.55 | 1.2 | 150 | 5.0 | 4 | 850 |
| HL573-18025 | 1.8 | 76 | 2.5 | 1.8 | 6.5 | 180 | 6.0 | 4 | 1050 |
| HL573-18042 | 1.8 | 76 | 4.2 | 0.6 | 1.8 | 180 | 6.0 | 4 | 1050 |
| HL573-25030 | 1.8 | 100 | 3.0 | 1.4 | 5.5 | 250 | 10 | 4 | 1250 |
| HL573-25042 | 1.8 | 100 | 4.2 | 0.8 | 3.0 | 250 | 10 | 4 | 1250 |
| HL573-28030 | 1.8 | 112 | 3.0 | 1.6 | 6.8 | 280 | 12 | 4 | 1400 |
| HL573-28042 | 1.8 | 112 | 4.2 | 0.9 | 3.8 | 280 | 12 | 4 | 1400 |
| مواصفات المسمار | ||
| المسمار ديا. (مم) | السفر لكل خطوة (مم) | الرصاص (مم) |
| TR9.53 | 0.0127 | 2.54 |
| 0.0254 | 5.08 | |
| 0.0508 | 10.16 | |
| TR8.00 | 0.0400 | 8 |
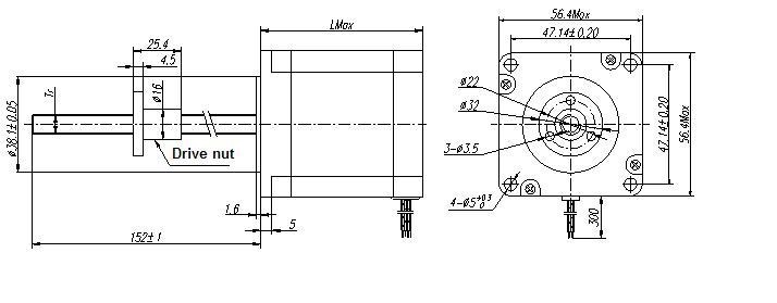
| الأبعاد الميكانيكية |
![]() |
| التكوين القياسي Leadwire |
![]() |
| الأبعاد الميكانيكية |
![]() |
| التكوين القياسي Leadwire |
![]() |
رمح مخصص
طول رمح المسمار
الجوز الخارجي
مواد الجوز : البلاستيك ، النحاس ، الصلب ، بوم
الموصل
Molex ، Harwin ، Tyco/AMP ، JST ETC.
طول خاص ، خرطوم واقية
رمح مخصص
طول رمح المسمار
الجوز الخارجي
مواد الجوز : البلاستيك ، النحاس ، الصلب ، بوم
الموصل
Molex ، Harwin ، Tyco/AMP ، JST ETC.
طول خاص ، خرطوم واقية