| توافر الحالة: | |
|---|---|
| الكمية: | |
H573 (57 مم)- 0.9 درجة لكل خطوة ، 2/4 مرحلة
I.CH
Nema 23 Stepping Motor
| المواصفات الكهربائية | |||||||||
| نموذج سلسلة | زاوية الخطوة (س) | L (مم) | تيار مصنف (أ) | مرحلة مقاومة (Ω) | مرحلة الحث (MH) | عقد العزم (N.CM) | عزم الدوران (N.CM) | قيادة الأسلاك (رقم.) | محرك وزن (ز) |
| H573-03004 | 1.8 | 41 | 0.38 | 32 | 30 | 30 | 3.5 | 6 | 450 |
| H573-02216 | 1.8 | 41 | 1.55 | 1.8 | 3.5 | 22 | 3.5 | 4 | 450 |
| H573-03221 | 1.8 | 41 | 2.1 | 0.8 | 1.4 | 32 | 3.5 | 4 | 450 |
| H573-02415 | 1.8 | 41 | 1.5 | 1.5 | 1.4 | 24 | 3.5 | 6 | 450 |
| H573-03804 | 1.8 | 51 | 0.38 | 32 | 28 | 38 | 5.5 | 6 | 600 |
| H573-04509 | 1.8 | 51 | 0.85 | 7.1 | 8.5 | 45 | 5.5 | 6 | 600 |
| H573-04514 | 1.8 | 51 | 1.4 | 2.5 | 3.2 | 45 | 5.5 | 6 | 600 |
| H573-06214 | 1.8 | 51 | 1.4 | 2.5 | 6.2 | 62 | 5.5 | 4 | 600 |
| H573-06220 | 1.8 | 51 | 2.0 | 1.3 | 3.2 | 62 | 5.5 | 4 | 600 |
| H573-06006 | 1.8 | 56 | 0.6 | 20 | 2. | 60 | 6.5 | 6 | 650 |
| H573-06012 | 1.8 | 56 | 1.2 | 5.0 | 6.8 | 60 | 6.5 | 6 | 650 |
| H573-06016 | 1.8 | 56 | 1.6 | 2.5 | 3.2 | 60 | 6.5 | 6 | 650 |
| H573-06024 | 1.8 | 56 | 2.4 | 1.0 | 1.2 | 60 | 6.5 | 6 | 650 |
| H573-08025 | 1.8 | 56 | 2.5 | 1.2 | 3.0 | 80 | 6.5 | 4 | 650 |
| H573-11042 | 1.8 | 76 | 4.2 | 0.6 | 1.4 | 110 | 6.5 | 4 | 800 |
| H573-11021 | 1.8 | 76 | 2.1 | 2.2 | 6.2 | 110 | 9.5 | 4 | 800 |
| H573-11036 | 1.8 | 76 | 3.6 | 0.8 | 2.2 | 110 | 9.5 | 4 | 800 |
سحب منحنى عزم الدوران |
نموذج: H573-06214 تيار: 1.43A الجهد االكهربى: 12V/24VDC خطوة كاملة نموذج: H573-08205 الحالي: 1.43A الجهد االكهربى: 12 v/24 VDC خطوة كاملة |
| المواصفات الكهربائية | |||||||||
| نموذج سلسلة | زاوية الخطوة (س) | L (مم) | تيار مصنف (أ) | مرحلة مقاومة (Ω) | مرحلة الحث (MH) | عقد العزم (N.CM) | عزم الدوران (N.CM) | قيادة الأسلاك (رقم.) | محرك وزن (ز) |
| H573-03004 | 1.8 | 41 | 0.38 | 32 | 30 | 30 | 3.5 | 6 | 450 |
| H573-02216 | 1.8 | 41 | 1.55 | 1.8 | 3.5 | 22 | 3.5 | 4 | 450 |
| H573-03221 | 1.8 | 41 | 2.1 | 0.8 | 1.4 | 32 | 3.5 | 4 | 450 |
| H573-02415 | 1.8 | 41 | 1.5 | 1.5 | 1.4 | 24 | 3.5 | 6 | 450 |
| H573-03804 | 1.8 | 51 | 0.38 | 32 | 28 | 38 | 5.5 | 6 | 600 |
| H573-04509 | 1.8 | 51 | 0.85 | 7.1 | 8.5 | 45 | 5.5 | 6 | 600 |
| H573-04514 | 1.8 | 51 | 1.4 | 2.5 | 3.2 | 45 | 5.5 | 6 | 600 |
| H573-06214 | 1.8 | 51 | 1.4 | 2.5 | 6.2 | 62 | 5.5 | 4 | 600 |
| H573-06220 | 1.8 | 51 | 2.0 | 1.3 | 3.2 | 62 | 5.5 | 4 | 600 |
| H573-06006 | 1.8 | 56 | 0.6 | 20 | 2. | 60 | 6.5 | 6 | 650 |
| H573-06012 | 1.8 | 56 | 1.2 | 5.0 | 6.8 | 60 | 6.5 | 6 | 650 |
| H573-06016 | 1.8 | 56 | 1.6 | 2.5 | 3.2 | 60 | 6.5 | 6 | 650 |
| H573-06024 | 1.8 | 56 | 2.4 | 1.0 | 1.2 | 60 | 6.5 | 6 | 650 |
| H573-08025 | 1.8 | 56 | 2.5 | 1.2 | 3.0 | 80 | 6.5 | 4 | 650 |
| H573-11042 | 1.8 | 76 | 4.2 | 0.6 | 1.4 | 110 | 6.5 | 4 | 800 |
| H573-11021 | 1.8 | 76 | 2.1 | 2.2 | 6.2 | 110 | 9.5 | 4 | 800 |
| H573-11036 | 1.8 | 76 | 3.6 | 0.8 | 2.2 | 110 | 9.5 | 4 | 800 |
سحب منحنى عزم الدوران |
نموذج: H573-06214 تيار: 1.43A الجهد االكهربى: 12V/24VDC خطوة كاملة نموذج: H573-08205 الحالي: 1.43A الجهد االكهربى: 12 v/24 VDC خطوة كاملة |
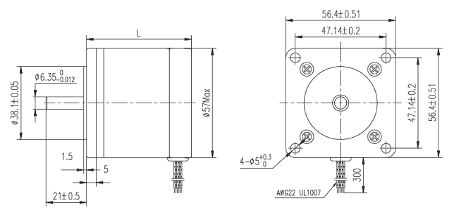
| الأبعاد الميكانيكية |
![]() |
| التكوين القياسي Leadwire |
![]() |
| الأبعاد الميكانيكية |
![]() |
| التكوين القياسي Leadwire |
![]() |
رمح مخصص
جولة ، d-cut ، الصليب المحفور ، الطريق المفاتيح ، الخيط أو أجوف

طول خاص ، خرطوم واقية
رمح مخصص
جولة ، d-cut ، الصليب المحفور ، الطريق المفاتيح ، الخيط أو أجوف

طول خاص ، خرطوم واقية
قدرة المصنع
تأسست شركة ICH Motion ، Ltd. ، في عام 2006 ، وهي شركة تصنيع محترفة سهوب في السهول التي شاركت في R&D Stepper Motor ، والتصميم والإنتاج على مدار 18 عامًا ، تمتلك الكثير من براءات الاختراع في Stepper Motor. Bustepper Brand Precise Hybrid Stepper Motors ، تتناسب مع برامج تشغيل مناسبة ، تستخدم على نطاق واسع في آلات الملابس ، والسيلة CNC ، وآلات النسيج ، وآلات التغليف ، والمعدات الطبية ، ومعالجة تسخير الأسلاك وغيرها من الصناعات.
جولة السائر محركمحرك السائر مع محرك السهود المشفر مع رمح الخيط
مزايا
1. الرد بسرعة في الوقت ؛
2. التوجيه التقني المهني المقدمة ؛
3. خدمة OEM و OED.
طاحونة منظف لمركز آلة الدوار
غرفة اختبار المجفف غرفة مقاومة للصوت
طَرد
حزمة آمنة ؛
-فيسل ، الشحن الجوي على أساس وزن البضائع ؛
-تسليم 20-50 يومًا.
التعليمات
س 1. ما هو حجم NEMA 23 Stepper Motor؟
ج: حجم المحرك هو 56 مم.
س 2. ما هي زاوية الخطوة لمحرك NEMA 23 السائر؟
ج: 1.8deg.
س 3: أنا بحاجة إلى محرك السهول آلة النسيج؟
ج: يرجى إخبارنا بالمزيد عن طلباتك ، تنطبق خطوة NEMA 23 على جهاز النسيج ..
قدرة المصنع
تأسست شركة ICH Motion ، Ltd. ، في عام 2006 ، وهي شركة تصنيع محترفة سهوب في السهول التي شاركت في R&D Stepper Motor ، والتصميم والإنتاج على مدار 18 عامًا ، تمتلك الكثير من براءات الاختراع في Stepper Motor. Bustepper Brand Precise Hybrid Stepper Motors ، تتناسب مع برامج تشغيل مناسبة ، تستخدم على نطاق واسع في آلات الملابس ، والسيلة CNC ، وآلات النسيج ، وآلات التغليف ، والمعدات الطبية ، ومعالجة تسخير الأسلاك وغيرها من الصناعات.
جولة السائر محركمحرك السائر مع محرك السهود المشفر مع رمح الخيط
مزايا
1. الرد بسرعة في الوقت ؛
2. التوجيه التقني المهني المقدمة ؛
3. خدمة OEM و OED.
طاحونة منظف لمركز آلة الدوار
غرفة اختبار المجفف غرفة مقاومة للصوت
طَرد
حزمة آمنة ؛
-فيسل ، الشحن الجوي على أساس وزن البضائع ؛
-تسليم 20-50 يومًا.
التعليمات
س 1. ما هو حجم NEMA 23 Stepper Motor؟
ج: حجم المحرك هو 56 مم.
س 2. ما هي زاوية الخطوة لمحرك NEMA 23 السائر؟
ج: 1.8deg.
س 3: أنا بحاجة إلى محرك السهول آلة النسيج؟
ج: يرجى إخبارنا بالمزيد عن طلباتك ، تنطبق خطوة NEMA 23 على جهاز النسيج ..