| الكمية: | |
|---|---|
H861 (86 مم)- 1.8 درجة لكل خطوة ، مرحلة 2/4
I.CH
Nema 34 Stepping Motor
| المواصفات الكهربائية | |||||||||
| نموذج سلسلة | زاوية الخطوة (س) | L (مم) | تيار مصنف (أ) | مرحلة مقاومة (Ω) | مرحلة الحث (MH) | عقد العزم (N.CM) | عزم الدوران (N.CM) | قيادة الأسلاك (رقم.) | محرك وزن ( كلغ) |
| H861-22040 | 1.8 | 66 | 4.0 | 0.6 | 1.6 | 220 | 5.5 | 8 | 2.0 |
| H861-22050 | 1.8 | 66 | 5.0 | 0.4 | 1.0 | 220 | 5.5 | 8 | 2.0 |
| H861-22027 | 1.8 | 66 | 2.7 | 1.2 | 3.5 | 220 | 5.5 | 8 | 2.0 |
| H861-30040 | 1.8 | 78 | 4.0 | 0.7 | 3.0 | 300 | 6.5 | 8 | 2.5 |
| H861-30050 | 1.8 | 78 | 5.0 | 0.5 | 1.8 | 300 | 6.5 | 8 | 2.5 |
| H861-30027 | 1.8 | 78 | 2.7 | 1.6 | 5.6 | 300 | 6.5 | 8 | 2.5 |
| H861-49040 | 1.8 | 98 | 4.0 | 0.98 | 4.1 | 490 | 9.5 | 8 | 3.0 |
| H861-49050 | 1.8 | 98 | 5.0 | 0.65 | 2.4 | 490 | 9.5 | 8 | 3.0 |
| H861-49027 | 1.8 | 98 | 2.7 | 1.9 | 8.6 | 490 | 9.5 | 8 | 3.0 |
| H861-58040 | 1.8 | 114 | 4.0 | 1.1 | 5.5 | 580 | 12.5 | 8 | 3.5 |
| H861-58050 | 1.8 | 114 | 5.0 | 0.75 | 3.2 | 580 | 12.5 | 8 | 3.5 |
| H861-58027 | 1.8 | 114 | 2.7 | 2.0 | 11.5 | 580 | 12.5 | 8 | 3.5 |
| H861-64040 | 1.8 | 126 | 4.0 | 1.3 | 5.8 | 640 | 18.5 | 8 | 1.8 |
| H861-64050 | 1.8 | 126 | 5.0 | 0.85 | 3.4 | 640 | 18.5 | 8 | 1.8 |
| H861-64027 | 1.8 | 126 | 2.7 | 2.5 | 12.5 | 640 | 18.5 | 8 | 1.8 |
| H861-85040 | 1.8 | 150 | 4.0 | 1.4 | 9.2 | 850 | 24.5 | 8 | 4.2 |
| H861-85050 | 1.8 | 150 | 5.0 | 0.9 | 5.2 | 850 | 24.5 | 8 | 4.2 |
| H861-85027 | 1.8 | 150 | 2.7 | 2.9 | 17.5 | 850 | 24.5 | 8 | 4.2 |
| سحب منحنى عزم الدوران |
| نموذج: H861-22027 الحالي: 3.71A الجهد االكهربى: 48V/60VDC خطوة كاملة نموذج: H861-30040 الحالي: 5.6a الجهد: 48 v/60 VDC خطوة كاملة نموذج: H861-49050 الحالي: 6.0a الجهد: 48 v/60 VDC خطوة كاملة نموذج: H861-64050 الحالي: 6.0a الجهد: 48 v/60 VDC خطوة كاملة نموذج: H601-26042 الحالي: 4.2A الجهد: 24 v/36 VDC خطوة كاملة |
| المواصفات الكهربائية | |||||||||
| نموذج سلسلة | زاوية الخطوة (س) | L (مم) | تيار مصنف (أ) | مرحلة مقاومة (Ω) | مرحلة الحث (MH) | عقد العزم (N.CM) | عزم الدوران (N.CM) | قيادة الأسلاك (رقم.) | محرك وزن ( كلغ) |
| H861-22040 | 1.8 | 66 | 4.0 | 0.6 | 1.6 | 220 | 5.5 | 8 | 2.0 |
| H861-22050 | 1.8 | 66 | 5.0 | 0.4 | 1.0 | 220 | 5.5 | 8 | 2.0 |
| H861-22027 | 1.8 | 66 | 2.7 | 1.2 | 3.5 | 220 | 5.5 | 8 | 2.0 |
| H861-30040 | 1.8 | 78 | 4.0 | 0.7 | 3.0 | 300 | 6.5 | 8 | 2.5 |
| H861-30050 | 1.8 | 78 | 5.0 | 0.5 | 1.8 | 300 | 6.5 | 8 | 2.5 |
| H861-30027 | 1.8 | 78 | 2.7 | 1.6 | 5.6 | 300 | 6.5 | 8 | 2.5 |
| H861-49040 | 1.8 | 98 | 4.0 | 0.98 | 4.1 | 490 | 9.5 | 8 | 3.0 |
| H861-49050 | 1.8 | 98 | 5.0 | 0.65 | 2.4 | 490 | 9.5 | 8 | 3.0 |
| H861-49027 | 1.8 | 98 | 2.7 | 1.9 | 8.6 | 490 | 9.5 | 8 | 3.0 |
| H861-58040 | 1.8 | 114 | 4.0 | 1.1 | 5.5 | 580 | 12.5 | 8 | 3.5 |
| H861-58050 | 1.8 | 114 | 5.0 | 0.75 | 3.2 | 580 | 12.5 | 8 | 3.5 |
| H861-58027 | 1.8 | 114 | 2.7 | 2.0 | 11.5 | 580 | 12.5 | 8 | 3.5 |
| H861-64040 | 1.8 | 126 | 4.0 | 1.3 | 5.8 | 640 | 18.5 | 8 | 1.8 |
| H861-64050 | 1.8 | 126 | 5.0 | 0.85 | 3.4 | 640 | 18.5 | 8 | 1.8 |
| H861-64027 | 1.8 | 126 | 2.7 | 2.5 | 12.5 | 640 | 18.5 | 8 | 1.8 |
| H861-85040 | 1.8 | 150 | 4.0 | 1.4 | 9.2 | 850 | 24.5 | 8 | 4.2 |
| H861-85050 | 1.8 | 150 | 5.0 | 0.9 | 5.2 | 850 | 24.5 | 8 | 4.2 |
| H861-85027 | 1.8 | 150 | 2.7 | 2.9 | 17.5 | 850 | 24.5 | 8 | 4.2 |
| سحب منحنى عزم الدوران |
| نموذج: H861-22027 الحالي: 3.71A الجهد االكهربى: 48V/60VDC خطوة كاملة نموذج: H861-30040 الحالي: 5.6a الجهد: 48 v/60 VDC خطوة كاملة نموذج: H861-49050 الحالي: 6.0a الجهد: 48 v/60 VDC خطوة كاملة نموذج: H861-64050 الحالي: 6.0a الجهد: 48 v/60 VDC خطوة كاملة نموذج: H601-26042 الحالي: 4.2A الجهد: 24 v/36 VDC خطوة كاملة |
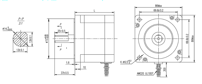
| الأبعاد الميكانيكية |
![]() |
| التكوين القياسي Leadwire |
![]() |
| الأبعاد الميكانيكية |
![]() |
| التكوين القياسي Leadwire |
![]() |
رمح مخصص
جولة ، d-cut ، الصليب المحفور ، الطريق المفاتيح ، الخيط أو أجوف

طول خاص ، خرطوم واقية
رمح مخصص
جولة ، d-cut ، الصليب المحفور ، الطريق المفاتيح ، الخيط أو أجوف

طول خاص ، خرطوم واقية