| توافر الحالة: | |
|---|---|
| الكمية: | |
H201 (20mm)- 1.8 درجة لكل خطوة ، مرحلة 2/4
I.CH
Nema 8 Stepping Motor
| المواصفات الكهربائية | |||||||||
| نموذج سلسلة | زاوية الخطوة (س) | L (مم) | تيار مصنف (أ) | مرحلة مقاومة (Ω) | مرحلة الحث (MH) | عقد العزم (N.CM) | عزم الدوران (N.CM) | قيادة الأسلاك (رقم.) | محرك وزن (ز) |
| H201-00102 | 1.8 | 28 | 0.2 | 23 | 7.2 | 1.4 | 0.2 | 4 | 50 |
| H201-00106 | 1.8 | 28 | 0.6 | 3.2 | 0.9 | 1.4 | 0.2 | 4 | 50 |
| H201-00202 | 1.8 | 34 | 0.2 | 25 | 8.4 | 1.8 | 0.3 | 4 | 70 |
| H201-00206 | 1.8 | 34 | 0.6 | 4.5 | 1.2 | 1.8 | 0.3 | 4 | 70 |
| H201-00302 | 1.8 | 40 | 0.2 | 32 | 8.8 | 2.6 | 0.5 | 4 | 82 |
| H201-00306 | 1.8 | 40 | 0.6 | 5.8 | 1.6 | 2.6 | 0.5 | 4 | 82 |
| سحب منحنى عزم الدوران |
نموذج: H201-00102 الحالي: 0.2A الجهد: 24VDC خطوة كاملة نموذج: H201-00206 الحالي: 0.6A الجهد: 24VDC خطوة كاملة نموذج: H201-00306 الحالي: 0.6A الجهد: 24VDC خطوة كاملة |
| المواصفات الكهربائية | |||||||||
| نموذج سلسلة | زاوية الخطوة (س) | L (مم) | تيار مصنف (أ) | مرحلة مقاومة (Ω) | مرحلة الحث (MH) | عقد العزم (N.CM) | عزم الدوران (N.CM) | قيادة الأسلاك (رقم.) | محرك وزن (ز) |
| H201-00102 | 1.8 | 28 | 0.2 | 23 | 7.2 | 1.4 | 0.2 | 4 | 50 |
| H201-00106 | 1.8 | 28 | 0.6 | 3.2 | 0.9 | 1.4 | 0.2 | 4 | 50 |
| H201-00202 | 1.8 | 34 | 0.2 | 25 | 8.4 | 1.8 | 0.3 | 4 | 70 |
| H201-00206 | 1.8 | 34 | 0.6 | 4.5 | 1.2 | 1.8 | 0.3 | 4 | 70 |
| H201-00302 | 1.8 | 40 | 0.2 | 32 | 8.8 | 2.6 | 0.5 | 4 | 82 |
| H201-00306 | 1.8 | 40 | 0.6 | 5.8 | 1.6 | 2.6 | 0.5 | 4 | 82 |
| سحب منحنى عزم الدوران |
نموذج: H201-00102 الحالي: 0.2A الجهد: 24VDC خطوة كاملة نموذج: H201-00206 الحالي: 0.6A الجهد: 24VDC خطوة كاملة نموذج: H201-00306 الحالي: 0.6A الجهد: 24VDC خطوة كاملة |
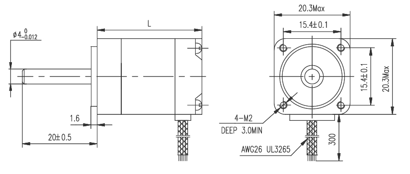
| الأبعاد الميكانيكية |
![]() |
| التكوين القياسي Leadwire |
![]() Uni-Polar Bi-Polar |
| الأبعاد الميكانيكية |
![]() |
| التكوين القياسي Leadwire |
![]() Uni-Polar Bi-Polar |
رمح مخصص
جولة ، d-cut ، الصليب المحفور ، الطريق المفاتيح ، الخيط أو أجوف

تم تخصيص التشفير للعميل
طول خاص ، خرطوم واقية
رمح مخصص
جولة ، d-cut ، الصليب المحفور ، الطريق المفاتيح ، الخيط أو أجوف

تم تخصيص التشفير للعميل
طول خاص ، خرطوم واقية
قدرة المصنع
يوفر مصنعنا جميع أنواع المحركات الكهربائية ، مثل محرك السائر المختلط ، ومحرك DC ، ومحرك متزامن AC. لقد تراكمنا على مدار عشر سنوات من الخبرة لمقابلة عملاء مختلفين ، يمكن تخصيص جميع منتجاتنا. ونحن فريق ناضج مع مهندس وفني ومبيعات محترفين ، علاوة على ذلك ، فإننا نوفر لجميع العملاء أفضل خدمة بعد البيع.
القياساختبار خط الإنتاجمعدات اختبار الأداء
آلة الطحن لعلاج عزم الدوران لآلة الجهاز
مزايا
1. نحن مصنع محرك مختلط مخصص ، تصميم منتج لتلبية احتياجات العملاء المختلفين.
2. نحن نوفر لك التوجيه الفني للمهنة في منتصف الاستخدام ، ولا تخذلك أبدًا أثناء خدمة ما بعد البيع.
3. حصلنا على أكثر من 10 سنوات من الخبرة في مجال الخطوة ، نقدم لك أفضل حلول للمشروع.
طَرد
-حزمة جيدا من الكرتون مع رغوة الحماية.
-ingping عن طريق البحر أو القطار أو الهواء أو طلباتك ؛
الوقت المناسب: 20 إلى 60 يوم عمل.
التعليمات
س:ما هي محركات السهول التي يمكن استخدامها؟
ج: يمكن استخدام محركات الخطوات الخاصة بنا في أجهزة التوجيه CNC ، وآلة طحن CNC ، وآلة النقش ، وآلة التغليف ، وآلة التعبئة ، وآلة القطع ، وآلة الطباعة ، وآلة الليزر ، وآلة النقل ، وآلة وضع العلامات ، وال CCTV والروبوت.
س: ما نوع طرق الدفع التي تقبلها؟
ج: يمكننا قبول PayPal و ، TT.
س: ما نوع طرق الشحن التي تستخدمها؟
ج: 1) للعينات أو دفعة صغيرة من محرك السائر الصغير ، يوصى بشحن الهواء. (DHL ، FedEx ، TNT ، UPS ، EMS) ، سنوفر رقم التتبع بمجرد الحصول عليه بعد شحن المنتجات.
2) للإنتاج الضخم أو دفعة كبيرة من محركات الخطوات ، يوصى بشحن المحيط/شحنة البحر.
س: ما هو المهلة الرئيسية لمحركات السائر؟
ج: للإنتاج الضخم ، يعتمد مهلة الزمن على الكميات التي تحتاجها.
س: ما هو وقت الضمان الخاص بك؟
ج: وقت الضمان: 12 شهرًا. ونحن نقدم خدمة فنية مدى الحياة وخدمة ما بعد البيع.
س: هل يمكنك صنع رمح مخصص؟
ج: يمكننا صنع رمح واحد أو رمح مزدوج أو شكل آخر.
س: ما هو حجم نيما لهذا المحرك؟
ج: إنه NEMA 8 مع 1.8 درجة أو 0.9 درجة.
قدرة المصنع
يوفر مصنعنا جميع أنواع المحركات الكهربائية ، مثل محرك السائر المختلط ، ومحرك DC ، ومحرك متزامن AC. لقد تراكمنا على مدار عشر سنوات من الخبرة لمقابلة عملاء مختلفين ، يمكن تخصيص جميع منتجاتنا. ونحن فريق ناضج مع مهندس وفني ومبيعات محترفين ، علاوة على ذلك ، فإننا نوفر لجميع العملاء أفضل خدمة بعد البيع.
القياساختبار خط الإنتاجمعدات اختبار الأداء
آلة الطحن لعلاج عزم الدوران لآلة الجهاز
مزايا
1. نحن مصنع محرك مختلط مخصص ، تصميم منتج لتلبية احتياجات العملاء المختلفين.
2. نحن نوفر لك التوجيه الفني للمهنة في منتصف الاستخدام ، ولا تخذلك أبدًا أثناء خدمة ما بعد البيع.
3. حصلنا على أكثر من 10 سنوات من الخبرة في مجال الخطوة ، نقدم لك أفضل حلول للمشروع.
طَرد
-حزمة جيدا من الكرتون مع رغوة الحماية.
-ingping عن طريق البحر أو القطار أو الهواء أو طلباتك ؛
الوقت المناسب: 20 إلى 60 يوم عمل.
التعليمات
س:ما هي محركات السهول التي يمكن استخدامها؟
ج: يمكن استخدام محركات الخطوات الخاصة بنا في أجهزة التوجيه CNC ، وآلة طحن CNC ، وآلة النقش ، وآلة التغليف ، وآلة التعبئة ، وآلة القطع ، وآلة الطباعة ، وآلة الليزر ، وآلة النقل ، وآلة وضع العلامات ، وال CCTV والروبوت.
س: ما نوع طرق الدفع التي تقبلها؟
ج: يمكننا قبول PayPal و ، TT.
س: ما نوع طرق الشحن التي تستخدمها؟
ج: 1) للعينات أو دفعة صغيرة من محرك السائر الصغير ، يوصى بشحن الهواء. (DHL ، FedEx ، TNT ، UPS ، EMS) ، سنوفر رقم التتبع بمجرد الحصول عليه بعد شحن المنتجات.
2) للإنتاج الضخم أو دفعة كبيرة من محركات الخطوات ، يوصى بشحن المحيط/شحنة البحر.
س: ما هو المهلة الرئيسية لمحركات السائر؟
ج: للإنتاج الضخم ، يعتمد مهلة الزمن على الكميات التي تحتاجها.
س: ما هو وقت الضمان الخاص بك؟
ج: وقت الضمان: 12 شهرًا. ونحن نقدم خدمة فنية مدى الحياة وخدمة ما بعد البيع.
س: هل يمكنك صنع رمح مخصص؟
ج: يمكننا صنع رمح واحد أو رمح مزدوج أو شكل آخر.
س: ما هو حجم نيما لهذا المحرك؟
ج: إنه NEMA 8 مع 1.8 درجة أو 0.9 درجة.