| الكمية: | |
|---|---|
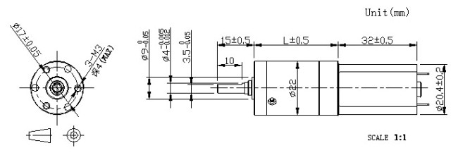
D223-1A (22mm)
I.CH
| مواصفات مربع التروس | |||||||||||||||||||
| يكتب | نسبة | 1: 3.4 | 1: 6 | 1:14 | 1:23 | 1:33 | 1:51 | 1:86 | 1: 111 | 1: 190 | 1: 246 | 1: 315 | 1: 531 | 1: 707 | 1: 913 | 1: 1180 | 1: 1525 | 1: 1972 | |
| D223 | تصنيف عزم الدوران | كجم | 0.05 | 0.07 | 0.15 | 0.25 | 0.36 | 0.5 | 0.8 | 1 | 1.7 | 2 | 3 | 5 | 5 | 6 | 6 | 6 | 6 |
| تصنيف سريع | دورة في الدقيقة | 1650 | 1100 | 471 | 287 | 200 | 129 | 77 | 59 | 35 | 27 | 21 | 12 | 9 | 7 | 6 | 4 | 3 | |
| ناقل الحركة | فوريا عزم الدوران | كجم | 3 | 4 | 5 | 7 | 8 | ||||||||||||
| مسموح به عزم الدوران | كجم | 2 | 3 | 4 | 5 | 6 | |||||||||||||
| طول | مم | 18.1 | 23.4 | 28.7 | 34 | 39.3 | |||||||||||||
| رد فعل عنيف | O | 0.5 | 0.6 | 0.8 | 1 | 1.5 | |||||||||||||
| وزن | g | 40 | 55.2 | 68.2 | 84.2 | 96.2 | |||||||||||||
| مواصفات مربع التروس | |||||||||||||||||||
| يكتب | نسبة | 1: 3.4 | 1: 6 | 1:14 | 1:23 | 1:33 | 1:51 | 1:86 | 1: 111 | 1: 190 | 1: 246 | 1: 315 | 1: 531 | 1: 707 | 1: 913 | 1: 1180 | 1: 1525 | 1: 1972 | |
| D223 | تصنيف عزم الدوران | كجم | 0.05 | 0.07 | 0.15 | 0.25 | 0.36 | 0.5 | 0.8 | 1 | 1.7 | 2 | 3 | 5 | 5 | 6 | 6 | 6 | 6 |
| تصنيف سريع | دورة في الدقيقة | 1650 | 1100 | 471 | 287 | 200 | 129 | 77 | 59 | 35 | 27 | 21 | 12 | 9 | 7 | 6 | 4 | 3 | |
| ناقل الحركة | فوريا عزم الدوران | كجم | 3 | 4 | 5 | 7 | 8 | ||||||||||||
| مسموح به عزم الدوران | كجم | 2 | 3 | 4 | 5 | 6 | |||||||||||||
| طول | مم | 18.1 | 23.4 | 28.7 | 34 | 39.3 | |||||||||||||
| رد فعل عنيف | O | 0.5 | 0.6 | 0.8 | 1 | 1.5 | |||||||||||||
| وزن | g | 40 | 55.2 | 68.2 | 84.2 | 96.2 | |||||||||||||
| بيانات المحرك | |||||||
| إطارات فولت (الخامس) | لا سرعة الطريق (RPM) | Noroad الحالي (م) | التواء تقييم (G.CM) | سرعة raterd (RPM) | تيار Raterd (م) | انتاج الطاقة (ث) | وزن (ز) |
| 1A8K4-12 | 8400 | 95 | 21 | 6600 | 292 | 1.6 | 32 |
| ملاحظة: جهد المنتج ، حجم عمود الإخراج ، الأداء الكهربائي ، يمكنك طلب مصنوع حسب الطلب! | |||||||
| خصائص المحرك |
| بيانات المحرك | |||||||
| إطارات فولت (الخامس) | لا سرعة الطريق (RPM) | Noroad الحالي (م) | التواء تقييم (G.CM) | سرعة raterd (RPM) | تيار Raterd (م) | انتاج الطاقة (ث) | وزن (ز) |
| 1A8K4-12 | 8400 | 95 | 21 | 6600 | 292 | 1.6 | 32 |
| ملاحظة: جهد المنتج ، حجم عمود الإخراج ، الأداء الكهربائي ، يمكنك طلب مصنوع حسب الطلب! | |||||||
| خصائص المحرك |
تشفير
التشبث
الموصل
Molex ، Harwin ، Tyco/AMP ، JST وما إلى ذلك
محرك
محرك الفرشاة ، محرك بدون فرش ، محرك السائر
الفتحة
D-Cut Shaft ، H-Cut Sahft ، Rround Sahft
تشفير
التشبث
الموصل
Molex ، Harwin ، Tyco/AMP ، JST وما إلى ذلك
محرك
محرك الفرشاة ، محرك بدون فرش ، محرك السائر
الفتحة
D-Cut Shaft ، H-Cut Sahft ، Rround Sahft