| توافر الحالة: | |
|---|---|
| الكمية: | |
D252A2 (25 مم)
I.CH
محرك تروس صغير مقاس 25 مم مدمج بعلبة تروس مقاس 25 مم بنسبة تروس 1:10 إلى 1:498. إنه حل جيد للتطبيق بمساحة محدودة ولكن بسرعة منخفضة وعزم دوران مرتفع.
مواصفات محرك 25 ملم DC | |||||||||
| MODEL | الجهد ضد | لا حمولة | في أقصى قدر من الكفاءة | كشك | |||||
| سرعة دورة في الدقيقة | MA الحالي | سرعة دورة في الدقيقة | عزم الدوران KG.CM | MA الحالي | الإخراج MW | عزم الدوران KG.CM | MA الحالي | ||
| D252-001021 | 3.0 | 150 | 50 | 120 | 0.1 | 150 | 120 | 0.5 | 500 |
| D252-001036 | 3.0 | 70 | 50 | 55 | 0.14 | 100 | 80 | 0.8 | 400 |
| D252-003103 | 6.0 | 40 | 30 | 30 | 0.3 | 70 | 100 | 2.0 | 300 |
| D252-006172 | 6.0 | 30 | 70 | 25 | 0.6 | 180 | 160 | 6.0 | 800 |
| D252-008226 | 6.0 | 24 | 70 | 19 | 0.8 | 180 | 160 | 7.5 | 800 |
| D252-020500 | 6.0 | 9 | 40 | 7 | 2.0 | 100 | 140 | 15.0 | 700 |
| نسبة التروس | ||||||
| عدد المراحل | 3 | 4 | 5 | 6 | 7 | 8 |
| نسبة التروس i | 9.7 | 16.1 | 26.9 | 59.2 | 130.1 | 286.3 |
| 12.5 | 21.3 | 35.5 | 78.1 | 171.8 | 377.9 | |
| 46.9 | 103.1 | 226.8 | 498.9 | |||
| طول علبة التروس L (مم) | 19.0 | 21.0 | 23.0 | 25.0 | 27.0 | |
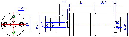
| الأبعاد الميكانيكية لمحرك مصمم 25 ملم DC |
![]() |
تشفير
يمكن تجهيز المحرك الموجود DC 25 مم مع العديد من خيارات التشفير لتلبية متطلبات التحكم الدقيقة والتحكم في السرعة. تشمل أنواع التشفير المتوفرة المتاحة ، وتأثير القاعة ، والتشفير المغناطيسي ، مما يوفر قرارات مختلفة وقدرات التغذية المرتدة. تضمن تكوينات التشفير المخصصة الأداء الأمثل لتطبيقات محددة مع الحفاظ على عامل النموذج المضغوط للمحرك.
القابض
يوفر المحرك الموجود DC 25 مم خيارات القابض القابلة للتخصيص للحماية من ظروف الحمل الزائد وتمكين المشاركة/فك الارتباط السلس. متوفرة في كل من التصميمات الميكانيكية والكهرومغناطيسية ، يمكن تصميم هذه القابلات بمتطلبات عزم دوران محددة. يضمن التكامل عملية موثوقة مع حماية كل من المحرك والآلات المتصلة.
نسبة علبة التروس
| نسبة التروس | ||||||
| عدد المراحل | 3 | 4 | 5 | 6 | 7 | 8 |
| نسبة التروس i | 9.7 | 16.1 | 26.9 | 59.2 | 130.1 | 286.3 |
| 12.5 | 21.3 | 35.5 | 78.1 | 171.8 | 377.9 | |
| 46.9 | 103.1 | 226.8 | 498.9 | |||
| طول علبة التروس L (مم) | 19.0 | 21.0 | 23.0 | 25.0 | 27.0 | |
محرك
توفر سلسلة المحركات المخصصة 25 مم ثلاثة أنواع محرك قابلة للتخصيص: Brush DC و Brushless DC و Stepper Motors. يوفر كل خيار مزايا مميزة: محركات الفرشاة للبساطة الفعالة من حيث التكلفة ، والمحركات بدون فرش لتحسين الكفاءة والعمر ، ومحركات السائر لتحديد المواقع الدقيقة. جميع المتغيرات تحافظ على عامل شكل 25 مم مضغوط.
محرك الفرشاة
محرك بدون فرش
محرك السائر
رمح
يتميز المحرك الموجود بتوجيه DC 25 مم ثلاثة خيارات للعمود للاقتران الأمثل: D-Cut Rafmission لنقل عزم الدوران الآمن ، وعمود H-Cut لتحسين الأداء المضاد للانزلاق ، والعمود الدائري للتطبيقات القياسية. كل نوع من أنواع العمود محشور الدقة لضمان نقل الطاقة الموثوق والتوافق مع آليات الاقتران المختلفة.
رمح D-Cut
H-CUT SHAFT
رمح round
ورقة البيانات الكاملة 
قدرة المصنع
I.CH لديها نظام إدارة شامل للشركات ، وحصل على شهادة ISO9001: 2015 في عام 2016 ، لديه فريق فني ممتاز ومجموعة من الموظفين المهرة. نحن نوفر محرك العتاد DC ، محرك تروس AC ، محرك مخفض ، صندوق تقليل التروس ، محرك التروس الكوكبي ، علبة التروس الكوكبية ، عجلة التروس ، علبة التروس. نحن نقدم حلًا تامًا للعملاء بما في ذلك تصميم صندوق ترس النقل ، كما نقدم خدمة OEM و ODM.



كاشف التركيز مختلط مخالطي اختبار التروس مركز 

التفتيش مركز تفتيش التروس
المزايا
1. نحن نقدم خدمة OEM ؛
2. CE ، ROHS ، IS09001 ... تقرير الشهادة ؛
3. مورد موثوق ، التصنيع المباشر 8 سنوات.
طَرد
-الكراتون ؛
-phing way: Air ، وعاء وساعي ؛
-اليد: 10 إلى 45 يومًا.


التعليمات
س: أريد أن يكون العمود مسطحًا مزدوجًا للمحرك المخفض ، هل يمكنك صنعه؟
ج: نعم نستطيع.
س: كيف أختار علبة التروس المناسبة؟
ج: يعتمد ذلك على نسبة التروس التي تحتاجها ، إذا كنت بحاجة إلى عزم دوران كبير ، فستختار نسبة كبيرة.
س: هل يمكنني إضافة تشفير؟
ج: نعم ، يمكننا إضافة تشفير على المحرك ، يرجى إخبارنا بمواصفاتك من التشفير.