| توافر الحالة: | |
|---|---|
| الكمية: | |
H572 (57 مم)- 0.9 درجة لكل خطوة ، 2/4 مرحلة
I.CH
Nema 23 Stepping Motor
المواصفات الكهربائية | |||||||||
نموذج سلسلة | خطوة زاوية (س) | L | تصنيف تيار (أ) | مرحلة | مرحلة | عقد العزم | عزم الدوران (N.CM) | قيادة | محرك |
H572-02410 | 0.9 | 41 | 1.0 | 5.2 | 6.2 | 24 | 2.5 | 6 | 470 |
H572-03206 | 0.9 | 41 | 0.62 | 12 | 28 | 32 | 2.5 | 4 | 470 |
H572-03220 | 0.9 | 41 | 2.0 | 1.2 | 3.0 | 32 | 2.5 | 4 | 470 |
H572-06225 | 0.9 | 45 | 2.5 | 1.0 | 3.0 | 62 | 2.8 | 4 | 520 |
H572-07006 | 0.9 | 51 | 0.62 | 13 | 34 | 70 | 3.0 | 4 | 590 |
H572-07025 | 0.9 | 51 | 2.5 | 1.2 | 3.8 | 70 | 3.0 | 4 | 590 |
H572-08215 | 0.9 | 56 | 1.5 | 3.2 | 6.5 | 82 | 3.5 | 6 | 680 |
H572-10025 | 0.9 | 56 | 2.5 | 1.3 | 5.2 | 100 | 3.5 | 4 | 680 |
H572-10030 | 0.9 | 56 | 3.0 | 0.8 | 2.8 | 100 | 3.5 | 4 | 680 |
H572-10042 | 0.9 | 56 | 4.2 | 0.4 | 1.5 | 100 | 3.5 | 4 | 680 |
H572-11010 | 0.9 | 64 | 1.0 | 7.5 | 28 | 110 | 5.0 | 4 | 850 |
H572-11025 | 0.9 | 64 | 2.5 | 1.5 | 5.8 | 110 | 5.0 | 4 | 850 |
H572-11030 | 0.9 | 64 | 3.0 | 0.8 | 3.0 | 110 | 5.0 | 4 | 850 |
H572-11042 | 0.9 | 64 | 4.2 | 0.55 | 1.5 | 110 | 5.0 | 4 | 850 |
H572-12515 | 0.9 | 76 | 1.5 | 4.5 | 10 | 125 | 6.0 | 6 | 1050 |
H572-15025 | 0.9 | 76 | 2.5 | 1.8 | 8.2 | 150 | 6.0 | 4 | 1050 |
H572-15030 | 0.9 | 76 | 3.0 | 1.0 | 4.3 | 150 | 6.0 | 4 | 1050 |
H572-15042 | 0.9 | 76 | 4.2 | 0.65 | 2.2 | 150 | 6.0 | 4 | 1050 |
* نحن نقدر جعل تيار/مرحلة خاصة ، الرصاص الأسلاك ، رمح لك.
* إذا حاجة إلى تخصيص ، فاتصل قسم المبيعات.
سحب منحنى عزم الدوران |
نموذج: H571-11030 الحالي: 3.0A الجهد االكهربى: 24الخامس/36VDC خطوة كاملة نموذج: H571-18042 الحالي: 4.0A الجهد االكهربى: 24V/36Vالعاصمة خطوة كاملة
نموذج: H571-25042 الحالي: 4.0A الجهد االكهربى: 24V/36Vالعاصمة خطوة كاملة
نموذج: H571-28042 الحالي: 4.0A الجهد االكهربى: 24V/36Vالعاصمة خطوة كاملة
|
المواصفات الكهربائية | |||||||||
نموذج سلسلة | خطوة زاوية (س) | L | تصنيف تيار (أ) | مرحلة | مرحلة | عقد العزم | عزم الدوران (N.CM) | قيادة | محرك |
H572-02410 | 0.9 | 41 | 1.0 | 5.2 | 6.2 | 24 | 2.5 | 6 | 470 |
H572-03206 | 0.9 | 41 | 0.62 | 12 | 28 | 32 | 2.5 | 4 | 470 |
H572-03220 | 0.9 | 41 | 2.0 | 1.2 | 3.0 | 32 | 2.5 | 4 | 470 |
H572-06225 | 0.9 | 45 | 2.5 | 1.0 | 3.0 | 62 | 2.8 | 4 | 520 |
H572-07006 | 0.9 | 51 | 0.62 | 13 | 34 | 70 | 3.0 | 4 | 590 |
H572-07025 | 0.9 | 51 | 2.5 | 1.2 | 3.8 | 70 | 3.0 | 4 | 590 |
H572-08215 | 0.9 | 56 | 1.5 | 3.2 | 6.5 | 82 | 3.5 | 6 | 680 |
H572-10025 | 0.9 | 56 | 2.5 | 1.3 | 5.2 | 100 | 3.5 | 4 | 680 |
H572-10030 | 0.9 | 56 | 3.0 | 0.8 | 2.8 | 100 | 3.5 | 4 | 680 |
H572-10042 | 0.9 | 56 | 4.2 | 0.4 | 1.5 | 100 | 3.5 | 4 | 680 |
H572-11010 | 0.9 | 64 | 1.0 | 7.5 | 28 | 110 | 5.0 | 4 | 850 |
H572-11025 | 0.9 | 64 | 2.5 | 1.5 | 5.8 | 110 | 5.0 | 4 | 850 |
H572-11030 | 0.9 | 64 | 3.0 | 0.8 | 3.0 | 110 | 5.0 | 4 | 850 |
H572-11042 | 0.9 | 64 | 4.2 | 0.55 | 1.5 | 110 | 5.0 | 4 | 850 |
H572-12515 | 0.9 | 76 | 1.5 | 4.5 | 10 | 125 | 6.0 | 6 | 1050 |
H572-15025 | 0.9 | 76 | 2.5 | 1.8 | 8.2 | 150 | 6.0 | 4 | 1050 |
H572-15030 | 0.9 | 76 | 3.0 | 1.0 | 4.3 | 150 | 6.0 | 4 | 1050 |
H572-15042 | 0.9 | 76 | 4.2 | 0.65 | 2.2 | 150 | 6.0 | 4 | 1050 |
* نحن نقدر جعل تيار/مرحلة خاصة ، الرصاص الأسلاك ، رمح لك.
* إذا حاجة إلى تخصيص ، فاتصل قسم المبيعات.
سحب منحنى عزم الدوران |
نموذج: H571-11030 الحالي: 3.0A الجهد االكهربى: 24الخامس/36VDC خطوة كاملة نموذج: H571-18042 الحالي: 4.0A الجهد االكهربى: 24V/36Vالعاصمة خطوة كاملة
نموذج: H571-25042 الحالي: 4.0A الجهد االكهربى: 24V/36Vالعاصمة خطوة كاملة
نموذج: H571-28042 الحالي: 4.0A الجهد االكهربى: 24V/36Vالعاصمة خطوة كاملة
|
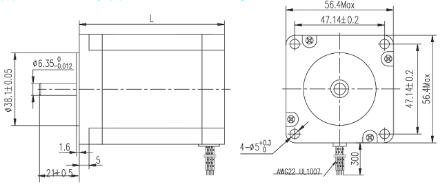
| الأبعاد الميكانيكية |
![]() |
| التكوين القياسي Leadwire |
![]() |
| الأبعاد الميكانيكية |
![]() |
| التكوين القياسي Leadwire |
![]() |
رمح مخصص
جولة ، d-cut ، الصليب المحفور ، الطريق المفاتيح ، الخيط أو أجوف

طول خاص ، خرطوم واقية
رمح مخصص
جولة ، d-cut ، الصليب المحفور ، الطريق المفاتيح ، الخيط أو أجوف

طول خاص ، خرطوم واقية
قدرة المصنع
يركز ICH على تصميم أحدث محركات التكنولوجيا وتلبية متطلبات عملائنا ، لدينا فريق R&D قادر للغاية لضمان جودة المنتجات ، وتزويد العملاء بأفضل حل ، يستخدم على نطاق واسع في الأجهزة المنزلية ، آلة التحكم في السيارات ، إلخ.
جولة السائر محركمحرك السائر مع محرك السهود المشفر مع رمح الخيط
مزايا
1. المبالغ المستردة أو الاستبدال في حالة الضرر ؛
2. 100 ٪ فحص المنتجات قبل التسليم ؛
3. مورد موثوق ؛
طاحونة منظف لمركز آلة الدوار
غرفة اختبار المجفف غرفة مقاومة للصوت
طَرد
-باكس عن طريق حماية رغوة ، مثل الصور أدناه ؛
استنادا إلى وزن النظام للتوصية بشحنة ، مثل الهواء ، البحر ، ؛
-صدر التقدير: 2 - 8 أسابيع.
التعليمات
س 1. أي مرحلة من محرك NEMA 23 خطوة؟
ج: إنها مرحلتين أو أربع مراحل.
س 2. ما هي زاوية الخطوة؟
ج: هو 0.9deg.
س 3. ما هو تطبيق محرك السائر 57mm؟
ج: سيتم استخدامه كمحرك للنسيج ، محرك جهاز الإسقاط.
قدرة المصنع
يركز ICH على تصميم أحدث محركات التكنولوجيا وتلبية متطلبات عملائنا ، لدينا فريق R&D قادر للغاية لضمان جودة المنتجات ، وتزويد العملاء بأفضل حل ، يستخدم على نطاق واسع في الأجهزة المنزلية ، آلة التحكم في السيارات ، إلخ.
جولة السائر محركمحرك السائر مع محرك السهود المشفر مع رمح الخيط
مزايا
1. المبالغ المستردة أو الاستبدال في حالة الضرر ؛
2. 100 ٪ فحص المنتجات قبل التسليم ؛
3. مورد موثوق ؛
طاحونة منظف لمركز آلة الدوار
غرفة اختبار المجفف غرفة مقاومة للصوت
طَرد
-باكس عن طريق حماية رغوة ، مثل الصور أدناه ؛
استنادا إلى وزن النظام للتوصية بشحنة ، مثل الهواء ، البحر ، ؛
-صدر التقدير: 2 - 8 أسابيع.
التعليمات
س 1. أي مرحلة من محرك NEMA 23 خطوة؟
ج: إنها مرحلتين أو أربع مراحل.
س 2. ما هي زاوية الخطوة؟
ج: هو 0.9deg.
س 3. ما هو تطبيق محرك السائر 57mm؟
ج: سيتم استخدامه كمحرك للنسيج ، محرك جهاز الإسقاط.