| توافر الحالة: | |
|---|---|
| الكمية: | |
D202A1
I.CH
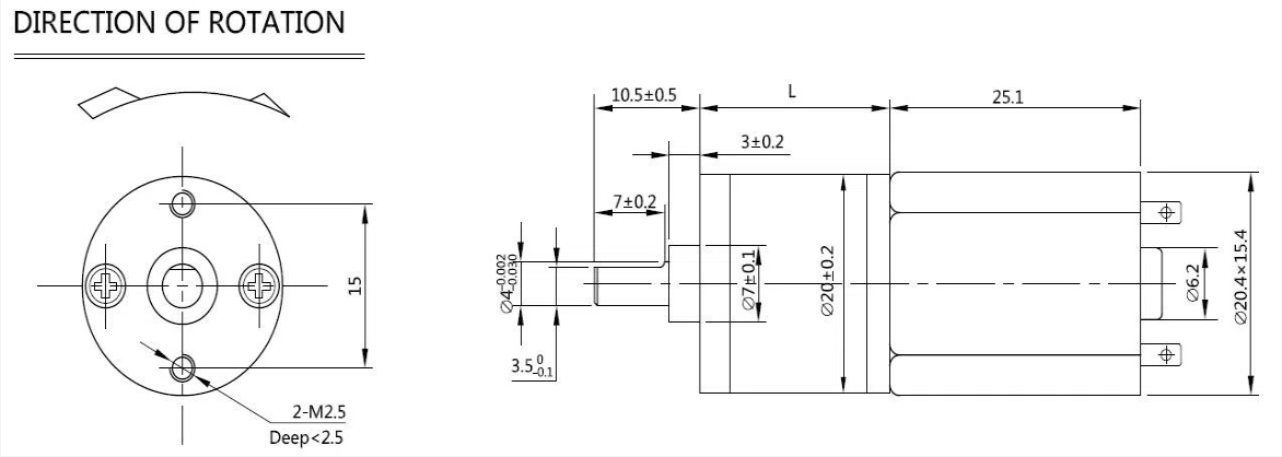
20MM DC Gear Motor
وصف
حجم السلسلة هذا أكبر من محرك تروس 16 مم الذي توفره I.CH.بالنسبة لمحرك التروس ذو عزم الدوران العالي، الحل الذي نستخدمه هو محرك DC بفرشاة كهربائية مع علبة تروس Spur.
بالمقارنة مع محرك DC بدون فرش، فإن المحرك المصقول لا يتمتع فقط بكفاءة عالية في استخدام الطاقة، والتي يمكن أن تصل إلى 80-90%، ولكن لديه أيضًا أداء تحكم جيد، ومنحنى مميز له خطية جيدة.وأخيرًا وليس آخرًا، التكلفة منخفضة نسبيًا.في الوقت نفسه، بالمقارنة مع محرك التروس الكوكبي، فإن التروس المحفزة سهلة الصنع للغاية ويمكن أن توفر نسبة نقل ثابتة.يؤدي تصميم محرك تروس صغير بجهد 12 فولت إلى كفاءة أفضل بشكل عام. و يتميز محرك التروس هذا بضوضاء منخفضة نسبيًا.
مواصفات علبة التروس
عدد المراحل | 3 | 4 | 5 | 6 | 7 |
نسبة الانخفاض | 10 | 25 | 50 | 100 | 250 |
12.5 | 31.25 | 62.5 | 125 | 312.5 | |
78.1 | 156.25 | 390.6 | |||
195.3 | 488.3 | ||||
طول علبة التروس (مم) | 16.0 | 17.5 | 19.0 | 20.5 | |
العاصمة مواصفات المحرك + علبة التروس
نموذج | تصنيف الجهد االكهربى (الخامس) | تصنيف عزم الدوران (كجم. سم) | تصنيف سريع (دورة في الدقيقة) | التصنيف الحالي (مللي أمبير) | انتاج | قوة (ميغاواط) | عزم الدوران في كشك (كجم.سم) | الحالي في كشك (مللي أمبير) | عدم التحميل سرعة (دورة في الدقيقة) | عدم التحميل حاضِر (مللي أمبير) |
D202-002010 | 12.0 | 0.15 | 1000 | 350 | 1500 | 0.8 | 1500 | 1300 | 100 |
D202-004025 | 6.0 | 0.35 | 200 | 450 | 750 | 1.5 | 1300 | 270 | 140 |
D202-004062 | 12.0 | 0.4 | 100 | 200 | 410 | 2.5 | 500 | 140 | 60 |
D202-010156 | 6.0 | 1.0 | 50 | 400 | 500 | 4.5 | 1300 | 65 | 90 |
D202-012195 | 6.0 | 1.2 | 28 | 200 | 370 | 6.0 | 800 | 36 | 60 |
D202-040312 | 4.8 | 4.0 | 16 | 670 | 650 | 8.0 | 1800 | 24 | 150 |
D202-030488 | 6.0 | 3.0 | 12 | 290 | 370 | 8.0 | 900 | 15 | 80 |
* تخصيص يمكن ان يكون مخصصة كما التحقيق. اتصال: sales@ichmo.com
وصف
حجم السلسلة هذا أكبر من محرك تروس 16 مم الذي توفره I.CH.بالنسبة لمحرك التروس ذو عزم الدوران العالي، الحل الذي نستخدمه هو محرك DC بفرشاة كهربائية مع علبة تروس Spur.
بالمقارنة مع محرك DC بدون فرش، فإن المحرك المصقول لا يتمتع فقط بكفاءة عالية في استخدام الطاقة، والتي يمكن أن تصل إلى 80-90%، ولكن لديه أيضًا أداء تحكم جيد، ومنحنى مميز له خطية جيدة.وأخيرًا وليس آخرًا، التكلفة منخفضة نسبيًا.في الوقت نفسه، بالمقارنة مع محرك التروس الكوكبي، فإن التروس المحفزة سهلة الصنع للغاية ويمكن أن توفر نسبة نقل ثابتة.يؤدي تصميم محرك تروس صغير بجهد 12 فولت إلى كفاءة أفضل بشكل عام. و يتميز محرك التروس هذا بضوضاء منخفضة نسبيًا.
مواصفات علبة التروس
عدد المراحل | 3 | 4 | 5 | 6 | 7 |
نسبة الانخفاض | 10 | 25 | 50 | 100 | 250 |
12.5 | 31.25 | 62.5 | 125 | 312.5 | |
78.1 | 156.25 | 390.6 | |||
195.3 | 488.3 | ||||
طول علبة التروس (مم) | 16.0 | 17.5 | 19.0 | 20.5 | |
العاصمة مواصفات المحرك + علبة التروس
نموذج | تصنيف الجهد االكهربى (الخامس) | تصنيف عزم الدوران (كجم. سم) | تصنيف سريع (دورة في الدقيقة) | التصنيف الحالي (مللي أمبير) | انتاج | قوة (ميغاواط) | عزم الدوران في كشك (كجم.سم) | الحالي في كشك (مللي أمبير) | عدم التحميل سرعة (دورة في الدقيقة) | عدم التحميل حاضِر (مللي أمبير) |
D202-002010 | 12.0 | 0.15 | 1000 | 350 | 1500 | 0.8 | 1500 | 1300 | 100 |
D202-004025 | 6.0 | 0.35 | 200 | 450 | 750 | 1.5 | 1300 | 270 | 140 |
D202-004062 | 12.0 | 0.4 | 100 | 200 | 410 | 2.5 | 500 | 140 | 60 |
D202-010156 | 6.0 | 1.0 | 50 | 400 | 500 | 4.5 | 1300 | 65 | 90 |
D202-012195 | 6.0 | 1.2 | 28 | 200 | 370 | 6.0 | 800 | 36 | 60 |
D202-040312 | 4.8 | 4.0 | 16 | 670 | 650 | 8.0 | 1800 | 24 | 150 |
D202-030488 | 6.0 | 3.0 | 12 | 290 | 370 | 8.0 | 900 | 15 | 80 |
* تخصيص يمكن ان يكون مخصصة كما التحقيق. اتصال: sales@ichmo.com