| توافر الحالة: | |
|---|---|
| الكمية: | |
P221
I.CH
باعتبارنا موردي علبة التروس الكوكبية ذوي السمعة الطيبة، فإننا نقدم علبة التروس الكوكبية مقاس 22 مم: مدمجة وعالية الدقة ومتينة. يوفر نقلًا موثوقًا لعزم الدوران للأجهزة المصغرة، ومعدات إنترنت الأشياء، والأدوات الدقيقة - وهو مثالي للاحتياجات الصناعية ذات المساحة المحدودة، بدعم من موردي علب التروس الكوكبية الموثوقين.
| وصف علبة التروس | |||||||
| المواد السكنية | تحمل في الإخراج | الحمل الشعاعي (10 مم من الحافة) | رمح الحمل المحوري | رمح الصحافة FIT FORCE ، ماكس. | اللعب الشعاعي للعمود | لعب لعب العمود | رد فعل عنيف عند عدم الحمل |
| معدن | محامل الأكمام | ≤0.8kgf | ≤0.6kgf | ≤5kgf | ≤0.08mm | ≤0.2mm | ≤3 ° |
| معدن | محامل الكرة | ≤1kgf | ≤0.6kgf | ≤5kgf | ≤0.05mm | ≤0.2mm | ≤3 ° |
تثبيت معدات إخراج علبة التروس مع حماية الحمل الزائد وتكليف حماية القابض
باعتبارنا موردي علبة التروس الكوكبية ذوي السمعة الطيبة، فإننا نقدم علبة التروس الكوكبية مقاس 22 مم: مدمجة وعالية الدقة ومتينة. يوفر نقلًا موثوقًا لعزم الدوران للأجهزة المصغرة، ومعدات إنترنت الأشياء، والأدوات الدقيقة - وهو مثالي للاحتياجات الصناعية ذات المساحة المحدودة، بدعم من موردي علب التروس الكوكبية الموثوقين.
| وصف علبة التروس | |||||||
| المواد السكنية | تحمل في الإخراج | الحمل الشعاعي (10 مم من الحافة) | رمح الحمل المحوري | رمح الصحافة FIT FORCE ، ماكس. | اللعب الشعاعي للعمود | لعب لعب العمود | رد فعل عنيف عند عدم الحمل |
| معدن | محامل الأكمام | ≤0.8kgf | ≤0.6kgf | ≤5kgf | ≤0.08mm | ≤0.2mm | ≤3 ° |
| معدن | محامل الكرة | ≤1kgf | ≤0.6kgf | ≤5kgf | ≤0.05mm | ≤0.2mm | ≤3 ° |
تثبيت معدات إخراج علبة التروس مع حماية الحمل الزائد وتكليف حماية القابض
| مواصفات ترس العمود الحركي | ||||
| الوحدة النمطية | عدد الأسنان | زاوية الضغط | قطر الثقب | نسبة الحد . |
| 0.3 | 13 | 20 درجة | 1.98 | 1/4،1/16،1/19،1/72،1/84،1/104،1/231،1/270،1/316،1/370 ، 1/455،1/1014،1/1249،1/1621،1/1996 |
| 0.3 | 16 | 20 درجة | 1.98 | 1/14،1/53،1/198،1/742 |
| مواصفات ترس العمود الحركي | ||||
| الوحدة النمطية | عدد الأسنان | زاوية الضغط | قطر الثقب | نسبة الحد . |
| 0.3 | 13 | 20 درجة | 1.98 | 1/4،1/16،1/19،1/72،1/84،1/104،1/231،1/270،1/316،1/370 ، 1/455،1/1014،1/1249،1/1621،1/1996 |
| 0.3 | 16 | 20 درجة | 1.98 | 1/14،1/53،1/198،1/742 |
| مواصفات علبة التروس | |||||||||||||||||
| نسبة الحد | 1/4 | 1/14 | 1/16 | 1/19 | 1/53 | 1/62 | 1/72 | 1/84 | 1/104 | 1/198 | 1/231 | 1/270 | 1/316 | 1/370 | 1/455 | 1/742 | 1/1014 |
| عزم دوران التسامح المقنن (KG.CM كحد أقصى) | 1 | 1.5 | 1.5 | 1.5 | 2 | 2 | 2 | 2 | 2 | 2.5 | 2.5 | 2.5 | 2.5 | 2.5 | 2.5 | 3 | 3 |
| أقصى لحظة عزم الدوران ( KG.CM ) | 3 | 4.5 | 4.5 | 4.5 | 6 | 6 | 6 | 6 | 6 | 7.5 | 7.5 | 7.5 | 7.5 | 7.5 | 7.5 | 9 | 9 |
| كفاءة | 80 ٪ | 70 ٪ | 70 ٪ | 70 ٪ | 60 ٪ | 60 ٪ | 60 ٪ | 60 ٪ | 60 ٪ | 50 ٪ | 50 ٪ | 50 ٪ | 50 ٪ | 50 ٪ | 50 ٪ | 40 ٪ | 40 ٪ |
| الطول (L-MM) | 14.4 | 18.05 | 21.7 | 25.35 | 29 | ||||||||||||
| الوزن (g) محامل الأكمام | 27 | 31 | 35 | 50 | 60 | 65 | |||||||||||
| الوزن (g) محامل الكرة | 26 | 30 | 34 | 49 | 59 | 64 | |||||||||||
| مواصفات علبة التروس | |||||||||||||||||
| نسبة الحد | 1/4 | 1/14 | 1/16 | 1/19 | 1/53 | 1/62 | 1/72 | 1/84 | 1/104 | 1/198 | 1/231 | 1/270 | 1/316 | 1/370 | 1/455 | 1/742 | 1/1014 |
| عزم دوران التسامح المقنن (KG.CM كحد أقصى) | 1 | 1.5 | 1.5 | 1.5 | 2 | 2 | 2 | 2 | 2 | 2.5 | 2.5 | 2.5 | 2.5 | 2.5 | 2.5 | 3 | 3 |
| أقصى لحظة عزم الدوران ( KG.CM ) | 3 | 4.5 | 4.5 | 4.5 | 6 | 6 | 6 | 6 | 6 | 7.5 | 7.5 | 7.5 | 7.5 | 7.5 | 7.5 | 9 | 9 |
| كفاءة | 80 ٪ | 70 ٪ | 70 ٪ | 70 ٪ | 60 ٪ | 60 ٪ | 60 ٪ | 60 ٪ | 60 ٪ | 50 ٪ | 50 ٪ | 50 ٪ | 50 ٪ | 50 ٪ | 50 ٪ | 40 ٪ | 40 ٪ |
| الطول (L-MM) | 14.4 | 18.05 | 21.7 | 25.35 | 29 | ||||||||||||
| الوزن (g) محامل الأكمام | 27 | 31 | 35 | 50 | 60 | 65 | |||||||||||
| الوزن (g) محامل الكرة | 26 | 30 | 34 | 49 | 59 | 64 | |||||||||||
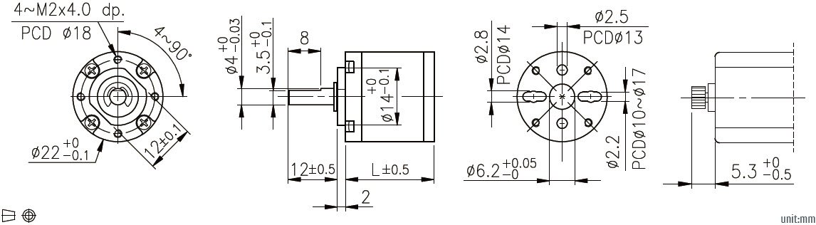
| الأبعاد الميكانيكية |
![]() |
| الأبعاد الميكانيكية |
![]() |
ورقة البيانات الكاملة
ورقة البيانات الكاملة