P224p
I.CH
| ناقل الحركة وصف | |||||||
| السكن مواد | تحمل في انتاج | شعاعي حمل (10mm من شفة) | الفتحة محوري حمل | الفتحة صحافة لائق بدنيا قوة ، ماكس. | شعاعي لعب من الفتحة | دفع لعب من الفتحة | رد فعل عنيف في عدم التحميل |
| معدن | كم رمان | ≤0.8kgf | ≤0.6kgf | ≤5kgf | ≤0.08mm | ≤0.2mm | ≤3 ° |
| معدن | كرة رمان | ≤1kgf | ≤0.6kgf | ≤5kgf | ≤0.05mm | ≤0.2mm | ≤3 ° |
| ناقل الحركة وصف | |||||||
| السكن مواد | تحمل في انتاج | شعاعي حمل (10mm من شفة) | الفتحة محوري حمل | الفتحة صحافة لائق بدنيا قوة ، ماكس. | شعاعي لعب من الفتحة | دفع لعب من الفتحة | رد فعل عنيف في عدم التحميل |
| معدن | كم رمان | ≤0.8kgf | ≤0.6kgf | ≤5kgf | ≤0.08mm | ≤0.2mm | ≤3 ° |
| معدن | كرة رمان | ≤1kgf | ≤0.6kgf | ≤5kgf | ≤0.05mm | ≤0.2mm | ≤3 ° |
| مواصفات ترس العمود الحركي | ||||
| وحدة | عدد الأسنان | زاوية الضغط | حفرة قطرها | نسبة الانخفاض. |
| 0.3 | 13 | 20 درجة | 1.98 | 1/4،1/16،1/19،1/72،1/84،1/104،1/231،1/270،1/316،1/370 ، |
| 1/455،1/1014،1/1249،1/1621،1/1996 | ||||
| 0.3 | 16 | 20 درجة | 1.98 | 1/14،1/53،1/198،1/742 |
| مواصفات ترس العمود الحركي | ||||
| وحدة | عدد الأسنان | زاوية الضغط | حفرة قطرها | نسبة الانخفاض. |
| 0.3 | 13 | 20 درجة | 1.98 | 1/4،1/16،1/19،1/72،1/84،1/104،1/231،1/270،1/316،1/370 ، |
| 1/455،1/1014،1/1249،1/1621،1/1996 | ||||
| 0.3 | 16 | 20 درجة | 1.98 | 1/14،1/53،1/198،1/742 |
| مواصفات علبة التروس | |||||||||||||||||
| اختزال نسبة | 1/4 | 1/14 | 1/16 | 1/19 | 1/53 | 1/62 | 1/72 | 1/84 | 1/104 | 1/198 | 1/231 | 1/270 | 1/316 | 1/370 | 1/455 | 1/742 | 1/1014 |
| تصنيف التسامح عزم الدوران (KG.CM كحد أقصى) | 0.8 | 1.3 | 1.3 | 1.3 | 1.7 | 1.7 | 1.7 | 1.7 | 1.7 | 2 | 2 | 2 | 2 | 2 | 2 | 2.5 | 2.5 |
| ماكس لحظة عزم الدوران التسامح (كغ. سم) | 2.4 | 3.9 | 3.9 | 3.9 | 5.1 | 5.1 | 5.1 | 5.1 | 5.1 | 6 | 6 | 6 | 6 | 6 | 6 | 7.5 | 7.5 |
| نجاعة | 80 ٪ | 70 ٪ | 70 ٪ | 70 ٪ | 60 ٪ | 60 ٪ | 60 ٪ | 60 ٪ | 60 ٪ | 50 ٪ | 50 ٪ | 50 ٪ | 50 ٪ | 50 ٪ | 50 ٪ | 40 ٪ | 40 ٪ |
| الطول (l) | 14.4 | 18.05 | 21.7 | 25.35 | 29 | ||||||||||||
| الوزن (جرام) | 27 | 31 | 35 | 60 | 65 | ||||||||||||
| مواصفات علبة التروس | |||||||||||||||||
| اختزال نسبة | 1/4 | 1/14 | 1/16 | 1/19 | 1/53 | 1/62 | 1/72 | 1/84 | 1/104 | 1/198 | 1/231 | 1/270 | 1/316 | 1/370 | 1/455 | 1/742 | 1/1014 |
| تصنيف التسامح عزم الدوران (KG.CM كحد أقصى) | 0.8 | 1.3 | 1.3 | 1.3 | 1.7 | 1.7 | 1.7 | 1.7 | 1.7 | 2 | 2 | 2 | 2 | 2 | 2 | 2.5 | 2.5 |
| ماكس لحظة عزم الدوران التسامح (كغ. سم) | 2.4 | 3.9 | 3.9 | 3.9 | 5.1 | 5.1 | 5.1 | 5.1 | 5.1 | 6 | 6 | 6 | 6 | 6 | 6 | 7.5 | 7.5 |
| نجاعة | 80 ٪ | 70 ٪ | 70 ٪ | 70 ٪ | 60 ٪ | 60 ٪ | 60 ٪ | 60 ٪ | 60 ٪ | 50 ٪ | 50 ٪ | 50 ٪ | 50 ٪ | 50 ٪ | 50 ٪ | 40 ٪ | 40 ٪ |
| الطول (l) | 14.4 | 18.05 | 21.7 | 25.35 | 29 | ||||||||||||
| الوزن (جرام) | 27 | 31 | 35 | 60 | 65 | ||||||||||||
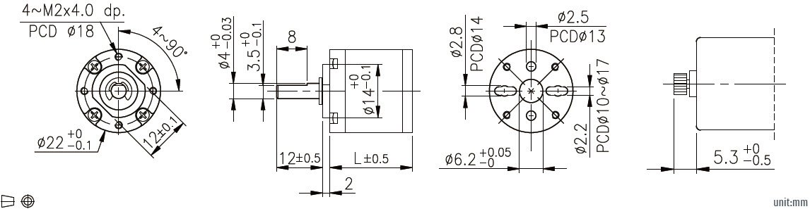
| الأبعاد الميكانيكية |
![]() |
| الأبعاد الميكانيكية |
![]() |
ورقة بيانات كاملة
ورقة بيانات كاملة