مرحبًا بك في شركة   ICH Motion ، Ltd
  البريد الإلكتروني  : sales@ichmo.com         هاتف:+86-25-51180871

مركز المنتج

أنت هنا: بيت » منتجات » Gearbox » علبة التروس الكوكبية » علبة تروس كوكبية مقاس 60 ملم » عالية الدقة منخفضة رد الفعل العكسي علبة التروس الكوكبية تخفيض شفة مربع لمحرك سيرفو

قائمة المنتجات

loading

حصة ل:
facebook sharing button
twitter sharing button
line sharing button
wechat sharing button
linkedin sharing button
pinterest sharing button
whatsapp sharing button
kakao sharing button
snapchat sharing button
telegram sharing button
sharethis sharing button

عالية الدقة منخفضة رد الفعل العكسي علبة التروس الكوكبية تخفيض شفة مربع لمحرك سيرفو

• نموذج المخفض: علبة التروس الكوكبية مقارنة بـ Neugart
• نسبة المخفض: 1:10~1:100
• المحرك المتطابق: محرك DC بدون فرش، ومحرك مؤازر والأجهزة ذات الصلة التي تحتاج إلى تقليل السرعة أو تكبير عزم الدوران
• حجم علبة التروس: 60 ملم
• التطبيق: المشروبات الغذائية، الطباعة، الزراعة، آلة CNC، تغيير أدوات CNC Atuomatic
توافر الحالة:
الكمية:
  • PG603

  • I.CH

  • 60mm Planetary Gearbox

وصف

تم تصميم علبة التروس الكوكبية ذات رد الفعل العكسي المنخفض عالية الدقة (شفة مربعة) للمحركات المؤازرة والمعدات ذات الصلة التي تتطلب تقليل السرعة أو تضخيم عزم الدوران. يتميز بحد أدنى من رد الفعل العكسي (≥3 دقيقة قوسية) للحصول على دقة نقل فائقة، فهو يقترن بسلاسة مع محركات مؤازرة ويناسب السيناريوهات التي تعمل بمؤازرة مثل خطوط الإنتاج الآلية، ومفاصل الروبوت، وأدوات الآلات الدقيقة، مع تركيب مبسط لتصميم الحافة المربعة. لمزيد من التطبيقات في المجالات الصناعية، يرجى الرجوع إلى Precision Gearbox - I.CH Motion Co., Ltd.  


- انخفاض مستوى الضجيج: باستخدام ناقل الحركة الملتف، وسبائك الفولاذ مع المعالجة الحرارية بالكربونات والتبريد،  يمكن أن يصل مستوى الدقة لطحن التروس إلى فئة ISO 5، ويمكن أن يعزز المظهر الجانبي والتعديل المحوري  قدرة التحمل، للحصول على تشغيل سلس وكامل للمخفض.

- دقة عالية: رد الفعل العكسي هو 3 أركمين أو أقل، تحديد المواقع بدقة.

- صلابة عالية، عزم دوران عالي: يستخدم عمود الإخراج حجمًا كبيرًا، وتصميم محمل دعم مزدوج كبير الحجم، مما يحسن صلابة وعزم دوران المخفض.

- كفاءة عالية: مرحلة واحدة تصل إلى 95% أو أكثر، ومرحلة ثانية تصل إلى 92% أو أكثر.

- صيانة مجانية: تآكل منخفض للشحوم، يمكن أن يكون تزييتًا مدى الحياة.

- تأثير الختم جيد: تشحيم الشحوم بلزوجة عالية، ليس من السهل فصل الخصائص، فئة الحماية IP65 لضمان عدم تسرب الشحوم.

- قابلية تطبيق واسعة: تنطبق على أي نوع من المحركات المؤازرة، وتخصيصها لمجموعة خاصة، وسهلة التركيب.


مربع التروس المواصفات الكهربائية

سلسلة مخفض

1

كفاءة الإرسال

>=90%

ماكس الحمل الشعاعي

≥200N

حمولة محورية ماكس

≥100 ن

عزم الدوران

15 نيوتن متر

نسبة الحد

10/1

الطول (مم)

95

ملاحظة: يمكننا تصنيع المنتجات وفقًا لمتطلبات العميل.



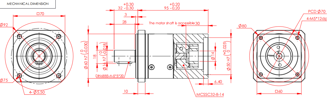
رسم أبعاد علبة التروس الكوكبية بدقة عالية

على: 
تحت: 
إشترك الآن
لدينا تصميم منتج مستقل وفريق البحث والتطوير وفريق الخدمة وفريق مراقبة الجودة المهنية.مرحبا بكم في الاشتراك.
نحن متخصصون في البحث وتطوير وخدمة المحركات الكهربائية وصندوق التروس والتروس ذات الدقة العالية مع وحدة صغيرة. اقرأ المزيد >>

قائمة المنتج

رابط سريع

اتصل

إضافة : 3B-B302 لياندو أنت الكرة الطائرة            مجمع صناعة التكنولوجيا ، # 16 طريق إنجو ،        حي جيانغنينغ ، نانجينغ ، جمهورية الصين             
 الشعبية                                                               
 
Tel:+86 25 5118 0871
Fax:+86 25 5118 0872
Skype : Ichmotion
البريد الإلكتروني:   sales@ichmo.com
حقوق الطبع والنشر ©️ 2024 I.CH جميع الحقوق محفوظة. خريطة الموقع. سياسة الخصوصية